Kurt DTR20

5-осевые тиски Kurt DoveLock™ — DTR20
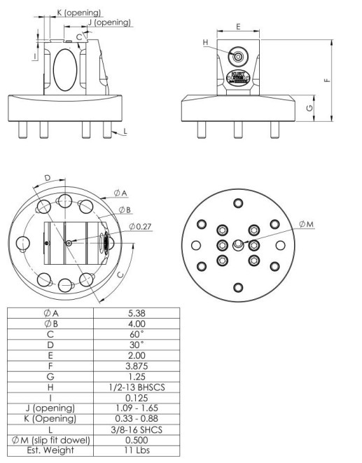
5-осевые тиски типа «ласточкин хвост» DoveLock™ DTR20 от Kurt Workholding предназначены для выполнения самых сложных операций механической обработки. Изготовленные из предварительно закаленной стали 4140, наши тиски типа «ласточкин хвост» DTR20 сохраняют жесткость детали и сводят к минимуму отклонение/ползучесть зажима во время обработки под высоким давлением.
Описание
5-осевые тиски типа «ласточкин хвост» DoveLock™ DTR20 от Kurt Workholding предназначены для выполнения самых сложных операций механической обработки. Изготовленные из предварительно закаленной стали 4140, наши тиски типа «ласточкин хвост» DTR20 сохраняют жесткость детали и сводят к минимуму отклонение/ползучесть зажима во время обработки под высоким давлением.
Уникальная конструкция этого зажимного устройства типа «ласточкин хвост», в котором зажимной винт расположен высоко в зажимной оболочке, является ключом к уменьшению прогиба. Дополнительный контроль против прогиба достигается за счет подвижного ползуна, который удерживается внутри неподвижной губки.
Закажите тиски типа «ласточкин хвост» DoveLock™ DTR20 для своей обработки.
Характеристики тисков типа «ласточкин хвост» DoveLock™ DTR20
- Подвижные губки тисков типа «ласточкин хвост» могут быть реверсивными, чтобы приспособиться к широкому диапазону ширины.
- Для легкой подготовки детали требуется всего 0,125 дюйма материала, чтобы удерживать заготовку на месте
- Встроенный установочный штифт обеспечивает точное расположение детали при приложении боковой нагрузки
- Подвижные и неподвижные губки представляют собой согласованные пары.
- Предварительно сконфигурированная схема монтажа, подходящая для большинства машинных столов
- Прочные и долговечные тиски типа «ласточкин хвост» весят всего 11 фунтов.




