Kurt 3610V (150 мм)

Обратные тиски Kurt VersatileLock — 3610V (150 мм)
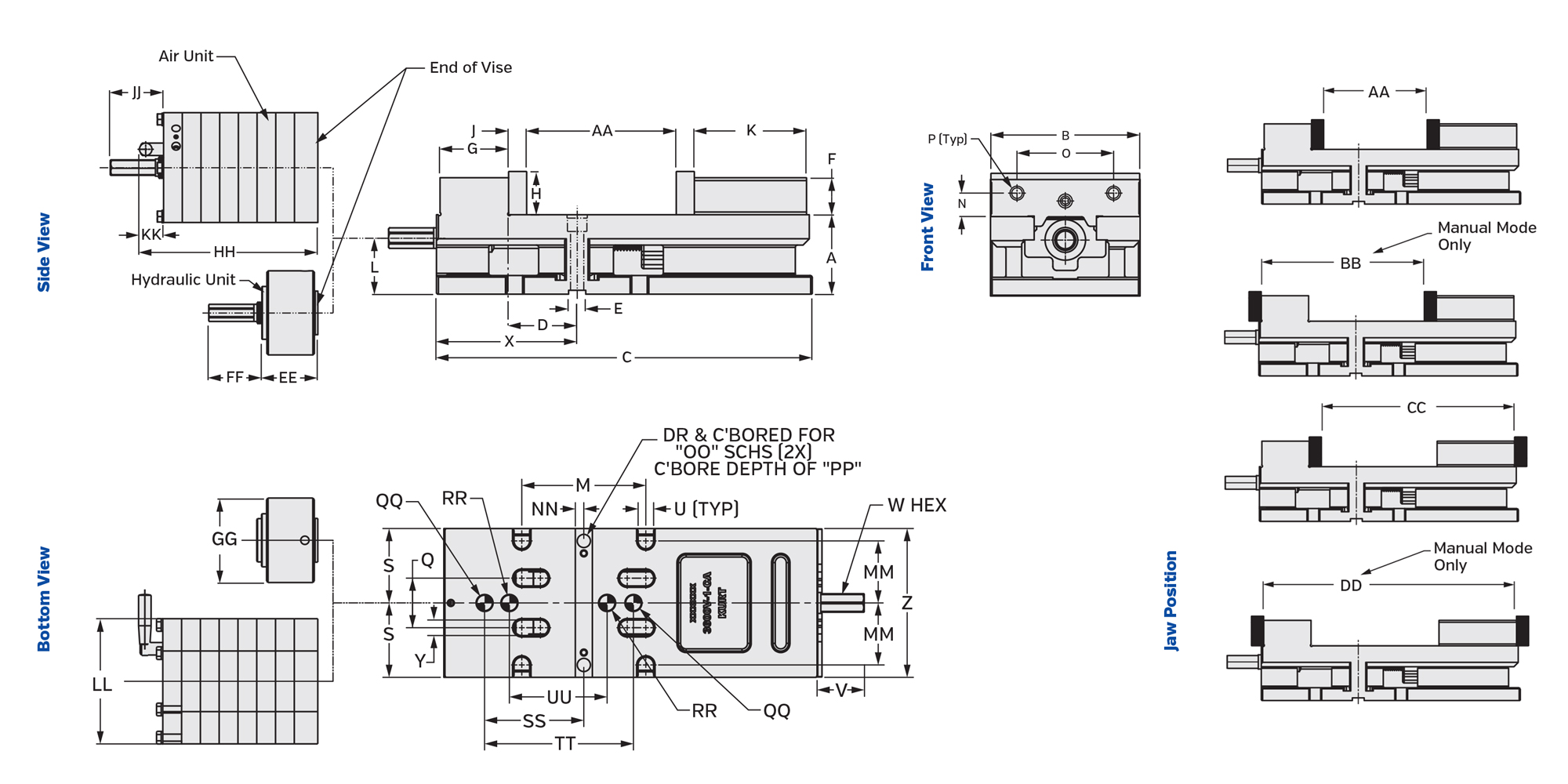
Используйте Kurt 3610V VersatileLock в этой конфигурации для дополнительного преимущества упрощенного программирования деталей в положительном направлении «ось Y». Это также уменьшает расстояние «досягаемости»; что делает загрузку деталей более безопасной и легкой для оператора.
Функции
- Может быть установлен вертикально или на любой стороне.
- Соответствует стационарной челюсти шпоночному пазу, включая высоту корпуса ±0,001″.
- Повторяемость зажима 0,0005″.
- Совместимость с синусоидальным ключом или ключом фиксации
Конструктивный вид
Видео




