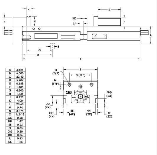
Kurt XL6R (150 мм)

Обратные тиски Kurt Extra Power — XL6R (150 мм)
Kurt Workholding является ведущим в отрасли поставщиком высококачественных 6-дюймовых ручных реверсивных тисков с увеличенной емкостью для ваших промышленных тисков. Свяжитесь с нами сегодня для получения дополнительной информации о наших реверсивных тисках увеличенной емкости XL или запросите ценовое предложение для углубленного анализа цен.
Реверсивные тиски Kurt XL предназначены для зажима очень больших деталей как для штампов, так и для инструментов с ЧПУ. Отверстия челюстей обеспечивают до 19,25 ″ универсального пространства для раскрытия челюстей. Эти точные фиксирующие тиски идеально подходят для операций «вытягивания» с высокой мощностью. Реверсивные тиски Kurt XL имеют точность в пределах 0,001″ для точного и простого выравнивания кратных деталей. Тиски XL можно использовать в качестве держателей для других зажимных приспособлений.
Характеристики
- Прецизионное зажимное усилие до 6884 фунтов.
- Уменьшение подъема челюсти благодаря конструкции AngLock.
- Корпус из ковкого чугуна обеспечивает нагрузку до 80 000 фунтов.
- Ширина челюстей 6 дюймов с раскрытием челюстей от 0 до 14,50 дюймов с максимальным значением 19,25 дюймов (при положениях челюстей снаружи).
- Зажим «тянущего типа» обеспечивает высокую точность и повторяемость.
- Отлично подходит для приложений с высокой мощностью.
- Загрузка деталей безопаснее и проще для оператора благодаря уменьшению расстояния досягаемости реверсивной модели. Кроме того, программирование деталей проще в положительном направлении оси «Y».
- Доступны пневматические, ручные и гидравлические модели.
- Гидравлические и пневматические модели имеют ход 1/4″.
- Опция Air Power обеспечивает «мягкое прикосновение» к деликатным деталям, которое является точным и воспроизводимым.
- В наличии винт с внутренним шестигранником.
- Совместимость с синусоидальным ключом или ключом фиксации




