Kurt 3410V (100 мм)

Обратные тиски Kurt VersatileLock — 3410V (100 мм)
4-дюймовые реверсивные ручные тиски Kurt 3410V VersatileLock® — это лучшие в отрасли однопозиционные тиски с ЧПУ, обладающие сверхточной функциональностью и конструкцией AngLock®, предотвращающей подъем деталей вверх при больших зажимных нагрузках.
Тиски VersatileLock® — это лучшие в отрасли однопозиционные тиски с ЧПУ. Он обеспечивает сверхточную функциональность благодаря следующим важным конструктивным особенностям: Оригинальная, проверенная временем конструкция Kurt® AngLock® предотвращает подъем деталей вверх при больших зажимных нагрузках. Зажим кулачков «вытягивающего типа» уменьшает стационарное отклонение кулачков не менее чем на 80 %. Цельный корпус тисков и неподвижная губка обеспечивают большую прочность при снижении веса.
Использование VersatileLock в этой конфигурации обеспечивает дополнительное преимущество, заключающееся в более простом программировании деталей в положительном направлении «ось Y». Это также уменьшает расстояние досягаемости, делая загрузку деталей более безопасной и легкой для оператора.

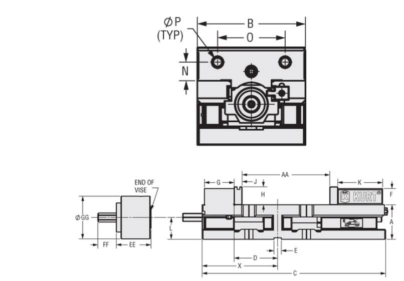
Характеристики тисков VersatileLock 3410V
- Полное открытие 6″
- Может быть установлен с любой стороны
- Соответствие шпоночному пазу, включая высоту корпуса ±0,001″
- Повторяемость зажима 0,0005 дюйма
- Занимаемая площадь менее 13 дюймов идеально подходит для небольших машин
- Все гидравлические агрегаты имеют ход тисков 1/4″.
- Рабочая столешница GrooveLock® в комплекте
- Совместимость с синусоидальным ключом или ключом фиксации



