Модульные 5-осевые тиски KURT

5-осевые тиски Kurt AngLock® — MX350
Эти многоосевые тиски, специально разработанные для более безопасного и надежного удержания деталей во время многоосевой обработки, с использованием нашей конструкции AngLock® для опускания детали, предоставляют пользователям более широкий диапазон зажима, прежде чем потребуется изменить настройку тисков, с более быстрой загрузкой и разгрузкой и монтаж на сетке 2 дюйма или на сетке до 100 мм. В комплект входят установочные болты для быстрого выравнивания на 2-дюймовых сетках.
Kurt MX350 AngLock ® 5-осевые тиски
5-осевые тиски Kurt MX350 AngLock® специально разработаны для более безопасного и надежного удержания деталей во время многоосевой обработки с использованием нашей конструкции AngLock® для опускания детали.
Эти многоосевые тиски с ходом 0,625 дюйма предоставляют пользователям более широкий диапазон зажима, прежде чем потребуется изменить настройку тисков. Загрузка и разгрузка тисков также быстрее и проще.
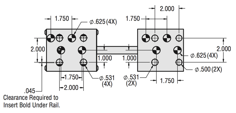
Модульная конструкция 5-осевых тисков MX350 позволяет устанавливать их на сетке с шагом 2 дюйма или, с включенными подступенками, с сеткой до 100 мм. В комплект входят установочные болты для быстрого выравнивания на 2-дюймовых сетках. При установке на подступенках прецизионно обработанные отверстия диаметром 5/8 дюйма позволяют быстро выровнять их с помощью синусоидальных ключей Kurt. Вспомогательные зажимные пазы для пальцевых зажимов обеспечивают еще большую гибкость монтажа.
Закажите 5-осевые тиски Kurt MX350 для 5-осевой обработки.
Особенности 5-осевых тисков Kurt MX350 AngLock®
- Ход 0,625 дюйма обеспечивает широкий диапазон зажима без изменения настройки тисков.
- Модульная конструкция предлагает множество вариантов монтажа
- Пользователи могут обрабатывать горизонтальные поверхности пластин челюстей для повышения точности и устранения необходимости в параллелях.
- Вариант челюстей: двухступенчатые челюсти 40 RC с покрытием CDN при вертикальном положении ступени
- Вариант челюсти: обрабатываемые губки из полутвердой стали (доступны 3 длины)
- Полностью защищенная от стружки конструкция позволяет сократить время загрузки и обеспечивает более плавную работу
- Винт легко заменяется пользователями, что позволяет использовать широкий диапазон размеров деталей.
- Обеспечивает до 7000 фунтов. зажимной силы
- Доступна полная линейка аксессуаров для тисков .




